
【行业资讯】宁夏回族自治区绿电直连实施方案
2025-12-25
新闻来源: 全国工商联新能源商会
查看次数:1387
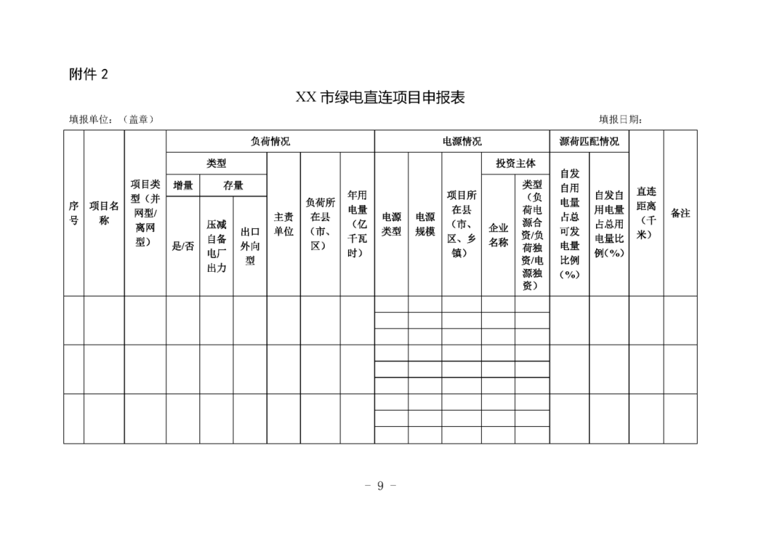
近日,宁夏自治区发展改革委发布关于印发《宁夏回族自治区绿电直连实施方案》的通知。文件提出,绿电直连项目按照“以荷定源”原则,科学确定新能源电源类型和装机规模,确保新能源年自发自用电量占总可用发电量比例不低于60%,占负荷侧总用电量比例不低于30%,逐年提高不低于1.5个百分点,2030年前达到35%以上。上网电量占总可用发电量的比例不超过20%。在新能源消纳困难时段,原则上项目不应向公共电网反送电。

宁发改电力〔2025〕784号
五市发展改革委,宁东经济发展局,国网宁夏电力有限公司,各有关企业:
为进一步发挥宁夏绿色能源优势,促进新能源就近就地消纳,按照国家有关文件要求,现将《宁夏回族自治区绿电直连实施方案》印发你们,请认真组织实施。
宁夏回族自治区发展改革委
2025年12月23日









< 点击图片查看大图 >
来源 | 宁夏发改委
编辑 | 中华新能源



京公网安备110102000948-1